[amsat-bb] Rotor Controllers

AJ9N at aol.com AJ9N at aol.com
Mon Jul 27 22:13:35 UTC 2015


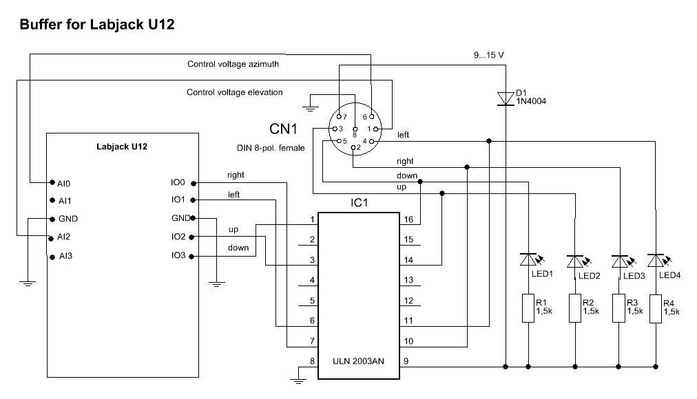
Another possibility and one that I also use is the LabJack U12/Piggyback  
combination (I also have the LVB).  The Piggyback you will need to build  
since Nova no longer sells it.  The plans may be found in one of the  documents 
that you can get for SatPC32.  
 
The U12 can be found at https://labjack.com/products/u12.   The Piggyback 
can be found at http://www.dk1tb.de/lj_piggyback.JPG.
 
Hope this helps.
 
73,
Charlie AJ9N
One of the ARISS mentors
 
I don't see the LVB being sold in the AMSAT store at the moment, so this  
might be an alternative for you.
 
 
In a message dated 7/26/2015 5:05:47 A.M. Pacific Daylight Time,  
ve3nxk at gmail.com writes:

Wanting  to upgrade my ham computer from XP/P4 to something newer and 
faster.   Have 
used Nova, AEA ST-1, and Yaesu G-5500 for ever.  Have a nice HP  quad core 
machine 
with W7, that I cannot get to work with the ST-1, says  cannot initialize 
port. 
Tried a couple of other units with same results,  so I suspect it has 
something to 
do with the newer parallel  ports.

So what am I missing ???

I would prefer to use a USB port  of course, but cannot find any 
controllers now 
that are ready to go, or  will work with Nova.  I am trying to stay with 
Nova and 
the Yaesu  G-5500

What is everyone else using these days?
-- 
Bill Booth  VE3NXK
Sundridge ON, Canada
79.23.37 W x 45.46.18  N
FN05ns

Visit my weather WebCam at  http://www.almaguin.com/wxcurrent/weather.html

Organ and Tissue  Donation - The Gift of Life
Talk to your family.  Your decision can  make a difference.
_______________________________________________
Sent  via AMSAT-BB at amsat.org. AMSAT-NA makes this open forum available
to all  interested persons worldwide without requiring membership. Opinions 
 expressed
are solely those of the author, and do not reflect the official  views of 
AMSAT-NA.
Not an AMSAT-NA member? Join now to support the amateur  satellite program!
Subscription settings:  http://www.amsat.org/mailman/listinfo/amsat-bb



More information about the AMSAT-BB mailing list